山東風途物聯網科技有限公司
聯系人:杜經理
聯系電話:16652863761
QQ:2749609891
公司地址:山東省濰坊市高新區光電路155號光電產業加速器(一期)

PRODUCT
聯系人:杜經理
聯系電話:16652863761
QQ:2749609891
公司地址:山東省濰坊市高新區光電路155號光電產業加速器(一期)
產品型號:FT-B1
產品價格:240元
產品品牌:風途
一、光照傳感器產品簡介
光照傳感器是一種用于測量周圍環境光照強度的傳感器,其主要原理是利用光電效應將光信號轉換為電信號,光照傳感器廣泛應用于農業、林業、溫室大棚培育、養殖、建筑的光照測量及研究。山東風途物聯網科技有限公司作為專業研發生產氣象傳感器的企業,一直致力于氣象傳感器和氣象環境解決方案推廣應用。具有完整的生產鏈、實力雄厚的技術團隊和全面的營銷團隊,我們研發生產的傳感器已廣泛應用到智慧農業、氣象監測、城市環境監測、風力發電、航海船舶、航空機場、橋梁隧道等領域,客戶遍布全國各地,并取得了良好的社會效益和經濟效益。
二、光照傳感器產品特點
1、抗干擾能力強,具有看門狗電路,自動復位功能,保證系統穩定運行
2、高集成度,無移動部件,零磨損
3、免維護,無需現場校準
4、采用ASA工程塑料室外應用常年不變色
5、產品設計輸出信號標配為RS485通訊接口(MODBUS協議);可選配232、USB、以太網接口,支持數據實時讀取☆
6、可選配無線傳輸模塊,最小傳輸間隔1分鐘
三、光照傳感器技術參數
1、光照:0-157286LUX(<±3%)
2、功率:0.24W
3、生產企業具有計算機軟件注冊證書☆
4、生產企業為3A級信用企業☆
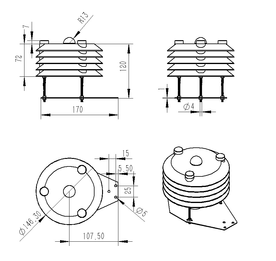
四、光照傳感器產品尺寸圖

五、光照傳感器產品結構圖

更新時間:2025-10-26
本文地址:http://www.threetrees.cn/qxcg/891.html酸價過氧化值檢測儀
2023-05-17 14:12:24太陽能殺蟲燈,新時代下的綠色環保防蟲燈
2021-06-01 08:57:07社區微型氣象站,做好氣象災害的防范
2024-03-15 17:00:58超聲波風速風向儀助農
2023-01-31 17:18:09微型空氣質量監測系統產品優勢
2024-03-27 16:59:152款五參數氣象傳感器,有啥不一樣?
2022-07-08 15:57:43微型氣象站是什么?
2022-09-08 16:09:18六要素氣象傳感器的工作原理
2024-01-02 16:56:39雨量監測站:基于物聯網的現代化雨量站
2022-01-19 16:51:48蟲情測報燈和孢子捕捉儀有什么區別?
2021-04-20 07:42:49