山東風途物聯網科技有限公司
聯系人:杜經理
聯系電話:16652863761
QQ:2749609891
公司地址:山東省濰坊市高新區光電路155號光電產業加速器(一期)

PRODUCT
聯系人:杜經理
聯系電話:16652863761
QQ:2749609891
公司地址:山東省濰坊市高新區光電路155號光電產業加速器(一期)
產品型號:FT-B6B
產品價格:980元
產品品牌:風途
一、智慧路燈監測傳感器產品簡介
智慧路燈監測傳感器采又稱智慧路燈傳感器,智慧路燈監測傳感器針對多領域氣象參數進行監測要求,可監測溫度、濕度、噪音、PM2.5、PM10等環境指標,實現城市高密度的城市微環境監測能力。山東風途物聯網科技有限公司作為專業研發生產氣象傳感器的企業,一直致力于氣象傳感器和氣象環境解決方案推廣應用。具有完整的生產鏈、實力雄厚的技術團隊和全面的營銷團隊,我們研發生產的傳感器已廣泛應用到智慧農業、氣象監測、城市環境監測、風力發電、航海船舶、航空機場、橋梁隧道等領域,客戶遍布全國各地,并取得了良好的社會效益和經濟效益。
二、智慧路燈監測傳感器產品特點
1、抗干擾能力強,具有看門狗電路,自動復位功能,保證系統穩定運行
2、高集成度,無移動部件,零磨損
3、免維護,無需現場校準
4、采用ASA工程塑料室外應用常年不變色
5、產品設計輸出信號標配為RS485通訊接口(MODBUS協議);可選配232、USB、以太網接口,支持數據實時讀取☆
6、可選配無線傳輸模塊,最小傳輸間隔1分鐘
三、智慧路燈監測傳感器技術參數
1、空氣溫度:-40-60℃(±0.3℃);(北京市氣象局校準證書)
2、空氣濕度:0-100%RH(±3%RH);(北京市氣象局校準證書)
3、光照:0-20W LUX(5%)
4、PM2.5:0-1000ug/m3(±10%)
5、PM10:0-1000ug/m3(±10%)
6、噪聲:30-120dB(±1.5dB)
7、功率:0.96W
8、生產企業具有計算機軟件注冊證書☆
9、生產企業為3A級信用企業☆
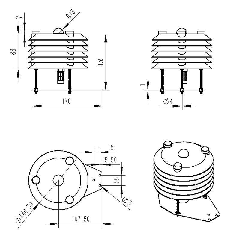
四、智慧路燈監測傳感器產品尺寸圖

五、智慧路燈監測傳感器產品結構圖

更新時間:2025-10-26
本文地址:http://www.threetrees.cn/qxcg/863.html超聲波傳感器測量風速
2022-03-18 15:38:43風速傳感器的作用
2023-07-25 17:06:58大氣環境監測儀的應用場景
2024-04-11 17:09:48肉類水分檢測儀
2020-02-06 05:30:36微型氣象站是什么儀器?
2022-09-07 14:56:32微型氣象儀價格是多少?2023年新報價——
2022-05-09 08:30:46網格化空氣質量監測微型站是什么?
2024-05-14 16:56:43為微氣候監測而生:六要素一體微型氣象站FT-WQX6
2025-09-30 14:48:41小型自動氣象站在溫室中的應用
2022-06-07 16:03:19? 十二要素傳感器
2022-04-13 10:17:29